fischer Bolzenanker FBN II 12/10, Dübel (silber, 20 Stück, galvanisch verzinkt)

CHF 19,69
( CHF 0,98 / Stück )
zzgl. MwSt. und Versandkosten abCHF 14,81
Nicht lagernd, ab Bestellung versandfertig in 5-10 Werktagen

Produktbeschreibung

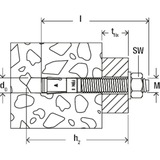
Der fischer Bolzenanker FBN II 12/10 ist der ideale Stahlanker für die Befestigung von schweren Gegenständen in ungerissenem Beton. Mit dem Stahlanker können werden schwere Lasten auch in Naturstein befestigt werden. Er findet Verwendung z.B. für Stahl- und Holzkonstruktionen, Leitern, Maschinen, Treppen, Tore, Fassaden und vieles mehr. Der FBN II 12/10 kann dank der zwei Verankerungstiefen und der einfachen Montage besonders flexibel eingesetzt werden. Der Stahldübel kann einfach mit dem Hammer eingeschlagen und dann mit einem Drehmomentschlüssel angezogen. Der bewährte Spreizclip leitet die Lasten besonders sicher in den Beton ein und ermöglicht die höchste Tragfähigkeit. Mit der Ausführung aus galvanisch verzinktem Stahl werden Lasten im Innenbereich befestigt. Ideal ist der Stahlanker beispielsweise auch für die Befestigung von Geländern, Kabeltrassen oder Konsolen. Der Einschlagzapfen schützt das Gewinde vor Beschädigungen, das spart Zeit beim Montieren und Demontieren.Art.-Nr.: 1791481